10 In Stock
Additional Stock: 3 to 5 days
We can ship the MFJ001U immediately. If you order more than what we have available, we will hold your order until we have enough stock to ship your complete order.
PRICE : $17.90(USD)
10 in stock
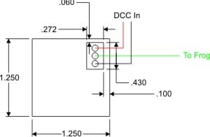
The Mono Frog Juicer automatically and instantly switches the polarity of a single frog as the engine passes over the turnout. No more complicated wiring or electro-mechanical switches are needed. Instead, you connect power to the Frog Juicer and a single wire to the frog, and the Frog Juicer takes care of the rest!
The New Universal Mono Frog Juicer works with all DCC systems, including NCE PowerCab!
Need to switch multiple frogs? Check out the Universal Dual Frog Juicer or Universal Hex Frog Juicer!
Mono Frog Juicers automatically control the polarity of a single isolated frog in DCC powered trackwork. These units are ideal for automating single turnouts and wyes. Multiple units can be used to automate pieces of trackwork with multiple isolated frogs, such as double slip switches, three-ways, double crossovers, and crossings.
- Eliminates the need for mechanical switches to switch the frog polarity when the turnout is switched
- Instant switching means no interruption to the engine or loss of sound
- Significantly simplifies frog wiring - especially for crossings and double crossovers
- Compatible with any DCC system (It will not work with DC)
- Simple to connect
- An economical alternative to using a Hex Frog Juicer if only a single frog needs to be controlled.
- Can be installed close to the controlled trackwork - no need for long feeders.
If you have ever struggled wiring up the frogs on a switch, seriously, you will want to consider using the Mono Frog Juicer. It is simple to use and just plain works.
How The Mono Frog Juicer Works
The Mono Frog Juicer consists of a microprocessor controlled SPDT electronic switch. This switch can sense and control the polarity of an isolated DCC controlled frog. When the circuit detects a short greater than about 1.7 amps (plus/minus 10% with two amps as the upper limit), it instantly switches the polarity of the frog. Two amps are below the reverse polarity detection point for most DCC circuit breakers and booster units, so the Frog Juicer will react before a fault is detected.
In addition, the Frog Juicer switches so quickly that the brief current pulse will go unnoticed by the DCC system.
Two amps are also enough current to power a single locomotive, and since only one locomotive can be on a frog at a time, it is all the power you need. The frog needs to be electrically isolated and have no other connections to the track or DCC system.
7 reviews for Universal Mono Frog Juicer - Automatic Frog Polarity Switcher
You must be logged in to post a review.
Building Turnouts Using Fast Tracks Assembly Fixtures
This fully illustrated document provides complete details for building switches using Fast Tracks tools & supplies. These instructions apply to Turnouts, Wyes & Curved Turnouts in all scales and include essential information for building any fixture-built trackwork.
Building Dual Gauge Turnouts Using Fast Tracks Assembly Fixtures
This document provides details for building dual gauge turnouts using Fast Tracks tools & supplies. These instructions apply to Dual Gauge Turnouts in all scales.
Building A 3-Way Switch With A Fast Tracks Assembly Fixture
This Builders Guide applies to three-way lapped turnouts in all scales and gauges.
Building Double Crossovers With a Fast Tracks Assembly Fixture
These instructions apply to all scales and sizes of Crossovers.
Building Crossings With A Fast Tracks Assembly Fixture
These instructions apply to all scales and sizes of fixture built crossings.
Building A Double Slip Switch With A Fast Tracks Assembly Fixture
These instructions apply to all scales and sizes of fixed frog Double Slips Switches.
Building A Stub Switch Using A Fast Tracks Assembly Fixture.
Do you already own a Fast Tracks Assembly Fixture? Then you can use the same fixture and tools you have now to build a stub turnout with QuickSticks and PC Board ties.
Using The PointForm Tool To Build Frog & Switch Points
We offer a number of different types of PointForm tools. This document provides general instructions on how to use a PointForm tool. These instructions apply to all PointForm tools.
Filing The Stock Rail With The Fast Tracks StockAid Filing Tool
Using the StockAid tool to remove the base of the stock rail in a turnout. These instructions apply to all sizes of StockAid tools.
Completing Switches Using Fast Tracks QuickSticks
This Builders Guide details how to complete building your switch using QuickSticks laser-cut wood ties.
Building Curved (and Straight) Turnouts With Fast Tracks TwistTies
TwistTies offer an alternative to building switches using an assembly fixture, PC Board ties, and solder. Instead, the switch is built using a pre-cut all wood tie lattice. This document provides detailed instructions.
Using the Frog Helper To Build Curved or Straight Turnout Frog Points
The Frog Helper tool works in the same manner as a full-sized assembly fixture but is specifically designed for building frog points. These instructions explain how to use the tool to construct curved or straight points and apply to all scales.
Building Template For Dual Gauge Left Side Turnouts
Use this template for guidance on the rail placing order in a Dual Gauge fixture. This applies to Dual Guage Left switches. (Left hand running)
Building Template For Dual Gauge Right Side Turnouts
Use this template for guidance on the rail placing order in a Dual Gauge fixture. This applies to Dual Guage Right switches. (Right hand running)
The BullFrog Switch Machine and Accessories
This all-in-one document provides complete instructions for assembling the BullFrog Manual Turnout Control, TadPole Remote Control Rod Mount, Control Rod Hanger/Joiner, Control Rod Kit, The SideWinder, and Decorative Knobs.
TieRack Tie Jig Instructions
Instructions on how to assemble and use your TieRack tie jig.
Soldering Trackwork Application Note
The techniques for creating great looking and reliable solder joints aren’t hard to master. With a bit of practice, anyone can do it. We have shown thousands of modelers how to get good results with the techniques and tools described in this document.
Zen & The Art Of Spiking
After shoving in tens of thousands of spikes over the years, a routine has evolved that is giving me good results. This document reveals my secrets.
Building A Turnout Switch Using Fast Tracks Tools
Step-by-step videos demonstrate how to build a complete switch using a Fast Tracks assembly fixture, PointForm, StockAid, and other tools.
Building a curved turnout with Fast Tracks Tools
Watch along as we build a complete On30 curved turnout from start to finish.
Hand Laying Straight Track With Fast Tracks Tools
Building infinite lengths of bullet straight, hand-laid track is easy when you use an assembly fixture. Here we show you how Fast Tracks straight track assembly fixtures make it possible right at your workbench.
Using The Fast Tracks PointForm Tool To Build Switchpoints
The PointForm tool is not only used to file Frog points. It can also be used to file perfect switch points as well. Here is how it works.
How To Use Fast Tracks SweepSticks
How Fast Tracks SweepSticks can be used to precisely form a perfect radius in flextrack
Using The Fast Tracks Frog Helper To Build Curved Frog Points
The Fast Tracks Frog Helper tool can be used to build precision frogpoints for both straight and curved switches. Here we demonstrate how to build frogpoints for a curved turnout.
Using The Fast Tracks Frog Helper To Build Straight Frog Points
Building precision switch frog points is greatly simplified by using the Fast tracks Frog Helper tool along with the PointForm filing tool. This video demonstrates how.
Finishing Straight/Curved Track With QuickSticks
Watch as we demonstrate how to use our QuickSticks laser cut ties to finish straight and curved trackwork built in a Fast Tracks fixture.
Hand Laying Curved Track With Fast Tracks Tools
Hand laying smoothly curved trackwork can be challenging and tedious. Here we show you how Fast Tracks curved track assembly fixtures make it easy to build infinite lengths of perfectly formed curved trackwork right at your workbench.
Using The TieBreaker PC Board Tie Cutting Tool
Cutting each PC Board tie to the length you need for a turnout can be tedious and drawn-out. Here Tim demonstrates how the Fast Tracks TieBreaker tool speeds up the process, reducing the construction time for a turnout by as much as 30%!
Using The Multi-Brush Solder Paste Applicator For Soldering Trackwork
The Multi-Brush makes applying just he right amount of solder flux quick and easy. You will also find it a handy brush to have around for general model construction as well.
SweepSticks - Flextrack Forming Tools
How to use Fast Tracks SweepSticks to precisely form perfect radiuses, spirals, easements, and straights in flextrack.
Using The 35W Weller Soldering Iron For Model Railroad Trackwork
Using the right soldering iron to solder trackwork is critical to success. We recommend the 35 watt Weller pencil type soldering iron with the ST7 conical shaped soldering tip. Watch along as we demonstrate how to get the most from this soldering equipment.
Building a Single 90 Degree Crossing With a Diamond Line Crossing Kit
In this video, we explore the steps in building a single 90-degree crossing in HO scale using a Fast Tracks Diamond Line crossing kit. Diamond Line crossing kits make building an accurate looking and flawlessly performing crossing a snap! Once the most difficult pieces of track work to build, now one of the easiest.
Building a crossing using a Fast Tracks Diamond Line Crossing Kit
In this video, we show the steps to build a precise crossing using a Fast Tracks Diamond Line Crossing Kit. We are building an HO scale, 30 degrees, code 83 crossing in this video, however, the process is exactly the same for an angle and rail size, except for a 90-degree crossing, which has its own video on this channel. Before building a Diamond Line crossing, we recommend you watch this instruction video.
Bending & Straightening Rail With The Fast Tracks Rail Roller
Bending rail into long smooth curves for curved trackwork can be challenging. The Fast Tracks Rail Roller tool makes this difficult job quick and easy. Plus it can straighten bent rail as well. This video shows you how it works.
Creating Easements With Fast Tracks SweepSticks
SweepSticks track forming tools can be used for more than just creating perfect radiuses and straight track from flextrack. Different radius SweepSticks can also be connected together to create easements and spiral trackwork as well.
Hand Laying Track Using Fast Tracks TwistTies
Fast Tracks TwistTies provides the craftsman with a way to build low cost, realistic looking and accurate all wood tie trackwork using laser cut wood ties, spikes & rail.
Solder Overview
Detail about the solder supplied by Fast Tracks for building all types of model trackwork.
Cutting Rail Gaps
We thought you might like this short video we produced showing the process of cutting rail gaps to isolate the frog in a Fast Tracks turnout electrically. This step is critical and can not be skipped. Otherwise, the track will have a dead short and can not be powered.
Painting Trackwork Slideshow
We are often asked if we have made a video on painting trackwork, and to date, we have not. Back in 2009, we produced a slideshow for MRH Magazine on how we finish turnouts, but it is no longer available from them, so we reproduced it and uploaded it here.
Assembling a Diamond Line Crossing
A computer rendering of the steps used to build a Diamond Line crossing from Fast Tracks.
Using the Diamond Line Sanding Jig
The BullFrog Manual Turnout Control
One of the least expensive manual turnout controls available anywhere; the BullFrog offers all the same features as more expensive turnout controls. It includes a full selection of options and accessories. This overview video explains how the system works.
Building The BullFrog Turnout Control - Part 1
Here Tim demonstrates how to put together the unassembled version of the BullFrog.
Building The BullFrog Turnout Control - Part 2
Here Tim demonstrates how to put together the unassembled version of the BullFrog.
Building The BullFrog Turnout Control - Part 3
Here Tim demonstrates how to put together the unassembled version of the BullFrog.
BullFrog Control Rod Kit
The control rod kit includes all of the parts that you will need to connect the BullFrog manual turnout control to your front panel.
BullFrog Dual Actuator For Free-Mo Layouts
The BullFrog Dual Actuator makes it easy to switch the BullFrog switch machine from both sides of your layout. Designed for Free-mo modules, the actuator can be used on any type of layout where you need to control the BullFrog manual turnout control from two locations.
Making a Over Center Spring for Manual Turnout Control
A step-by-step instructional video on how to add a simple center over spring to a Fast Tracks (or other) turnout. With this simple spring, you can manually switch a turnout without needing any switch machine!
SideWinder!
Part of the BullFrog line of products from Fast Tracks, the SideWinder BullFrog Horizontal Mount allows our BullFrog Switch Machine to be mounted on its side, therefore only requiring 1 1/8" of clearance. As an added bonus, the SideWinder will also reverse the travel of the machine to match the direction of the push or pull to activate the machine, as can be seen in the video.
The TadPole Remote Control Rod Mount
A companion product to the BullFrog manual turnout control, the TadPole provides a way of offsetting the control rod mount away from the BullFrog, making the overall size of the BullFrog considerably smaller so that it can be fit into tighter locations. You can even mount the TadPole around a corner from the BullFrog!
Control Rod Hanger/Joiner For The BullFrog
The control rod joiner/hanger is designed to hold the BullFrog control rod parallel to the bottom of your layout and as a holder for connecting two control rods together.
BullFrog Manual Turnout Control - Stress Testing
Before releasing our new BullFrog manual turnout control, we built this test jig to stress test the design. After 100,000 cycles, the BullFrog showed no significant signs of wear. To simulate switching stress, we restrained the switch wire, which broke after 10,000 cycles, while the BullFrog was no worse for wear.
Ultimation Sander
Fast Tracks is the exclusive distributor for the first of what we hope is a long line of innovative tools by Ultimation.
Building A Lumber Store Storage Rack
This short 3-minute video is 9 minutes long and takes you step-by-step through the process of assembling your Lumber Store Rotating Storage Rack by Fast Tracks.
How it's Made Trifecta 3 Point Track Gauges
Watch as we billet machine Fast Tracks "Trifecta," an HO scale code 70/82 three point track gauge from solid aluminum.
Using The Fast Tracks PointForm Tool To Build Frogpoints
Building highly accurate frogpoints is made fast and simple with the Fast Tracks PointForm tool. Here is a detailed demonstration showing you how it works.
Using The StockAid Tool To File The Base Of The Stockrail
Video demonstration on using the StockAid tool to remove the base of the stockrail.
FreightCrate Assembly
A fifteen-minute video showing the assembly of a Fast Tracks FreightCrate rolling stock transport box. Well worth watching before building your new box, lots of tips and important information about the process.
Fast Tracks Video Channel
Visit our growing collection of track building demonstration videos
Fast Tracks Knowledge Base
In addition to an extensive Q&A section, we also offer a full library of track building documents.






Stewart Clark (verified owner) –
A reduced overall rating here due to a Canadian business that doesn't have an option to show pricing in Canadian currency. Very disappointed in that. Beyond that though great service from order placement to delivery and appreciate the step by step update of the order status.
Rick Wagner (verified owner) –
Don't know if Frog J is faster than a circuit breaker or trips at a lower current or both... but so far, works just fine on the down stream side of the CB. Good job guys.
James Petropoulos (verified owner) –
I find these little Frog Juicers quite handy! Seeing as I have crammed over 30 turnouts and half a dozen crossings on a 4X8 layout (modeling NYC industrial lines/LIRR), these Frog Juicers save a LOT of wiring because they can be situated close to the turnouts (or wherever convenient, such as on/under a control panel) and power can come from the nearest feeders. They have proven reliable and whether a single juicer or a hex juicer, they will make life a LOT easier if you don't fancy sending more than two wires to each switch machine!
Nick Vanwyngaarden (verified owner) –
Great service fast delivery and the product works exactly as advertised
James Yaworsky (verified owner) –
I have used these on my layout now for well over 10 years. They have worked 100% reliably and I've even used them for not just frog polarity, but on temporary reversing sections of trackage - they work great for that purpose as well. Needed more, so didn't hesitate to put in a new order now, which was filled very fast and professionally. Again, 100% reliable, and very easy to install - saves wire and a lot of fooling around.
Richard Marcinkowski (verified owner) –
Love these products, so simple to install and so dependable! Always work as intended.
James Marlett (verified owner) –
Frog Juicers work great with my home made manual switch throws. I can't remember when I installed the first one, but it has been many years. I did have to make a small adjustment the response time of the circuit breakers in the main power distribution system, but since then, I have had no issues with them. I could have avoided that if I had installed them bypassing the buss line circuit breakers as suggested, but my circuit breakers are centrally located and it would have required a lot of wire to have done so.